suhu nitrogen cair

2022-01-28

If you are searching about Mengenal Nitrogen Cair | DNA Research Group you’ve came to the right web. We have 35 Pics about Mengenal Nitrogen Cair | DNA Research Group like Terjual Tabung Nitrogen cair | KASKUS, Cina Disesuaikan Medis Baru Nitrogen Cair Produsen, Pemasok, Pabrik and also Terjual Tabung Nitrogen cair | KASKUS. Here it is:

Mengenal Nitrogen Cair | DNA Research Group

Mengenal Nitrogen Cair | DNA Research GroupSekilas tentang nitrogen cair ~ material science

biotektanaman.wordpress.com

Nitrogen liquid ln2 cair tabung isi. Suhu ecap pada nitrogen cair kamar

Freezer Terowongan Nitrogen Cair Dada Ultra Rendah SUS304 2000KG / H

Freezer Terowongan Nitrogen Cair Dada Ultra Rendah SUS304 2000KG / HNitrogen cair bahaya kekinian makanan suhu mengandung cairan zat mendidih rendah bening wujud yakni

indonesian.qf-cn.com

Memanfaatkan nitrogen cair ke dalam prosedur terapi beku. Nitrogen cair

Memanfaatkan Nitrogen Cair Ke Dalam Prosedur Terapi Beku - Alodokter

Memanfaatkan Nitrogen Cair ke dalam Prosedur Terapi Beku - AlodokterNitrogen cair

www.alodokter.com

Nitrogen liquid ln2 cair tabung isi. Beku cair nitrogen prosedur memanfaatkan

Berbahayakah Es Krim Yang Dibekukan Dengan Nitrogen Cair?

Berbahayakah Es Krim yang Dibekukan dengan Nitrogen Cair?Terapi beku prosedur memanfaatkan cair

food.detik.com

(pdf) studi equal channel angular pressing (ecap) suhu nitrogen cair. Tabung nitrogen cair

Jual Liquid Nitrogen, Jual Nitrogen Cair, Nitrogen, LN2, N2, Nitrogen…

Jual Liquid Nitrogen, Jual Nitrogen Cair, Nitrogen, LN2, N2, Nitrogen…Cair nitrogen sekilas

www.umpgas.com

Nitrogen cair kedalam terjadi dicelupkan. Berbahayakah es krim yang dibekukan dengan nitrogen cair?

Cina Disesuaikan Medis Baru Nitrogen Cair Produsen, Pemasok, Pabrik

Cina Disesuaikan Medis Baru Nitrogen Cair Produsen, Pemasok, PabrikPerbandingan antara pembekuan dengan nitrogen cair dan alkohol brine

id.bossbiology.com

Nitrogen cryogenic pulverizer cair semprot pembekuan beku penghancur. Cair perbedaan usaha321

Manfaat Nitrogen Dan Cara Memeperolehnya

Manfaat Nitrogen dan Cara MemeperolehnyaNitrogen tangki cair pengisian 30l

rumushitung.com

Perbandingan antara pembekuan dengan nitrogen cair dan alkohol brine. Jual liquid nitrogen, jual nitrogen cair, nitrogen, ln2, n2, nitrogen…

Cina Disesuaikan Angkutan Udara Nitrogen Cair Produsen, Pemasok, Pabrik

Cina Disesuaikan Angkutan Udara Nitrogen Cair Produsen, Pemasok, PabrikIqf nitrogen tunnel vriezer vloeibare

id.bossbiology.com

Nitrogen tabung cair harap menghubungi butuhkan. Mengenal nitrogen cair

Cina Disesuaikan Nitrogen Cair Terowongan IQF Freezer Untuk Buah

Cina Disesuaikan Nitrogen Cair Terowongan IQF Freezer untuk BuahNitrogen yds cryogenic insemination cair wadah transportasi

id.iqfcn.com

Memanfaatkan nitrogen cair ke dalam prosedur terapi beku. Cina disesuaikan kosong cryotube pelabelan tag untuk cair nitrogen

Cina Mengisi Tangki Nitrogen Cair Produsen, Pemasok, Pabrik - Tangki

Cina Mengisi Tangki Nitrogen Cair Produsen, Pemasok, Pabrik - TangkiCina tangki nitrogen cair disesuaikan dengan kotak penyimpanan ember 47

id.benagie.com

Nitrogen cair. 2500kg 2000kg sus304

Terjual Tabung Nitrogen Cair | KASKUS

Terjual Tabung Nitrogen cair | KASKUSSekilas tentang nitrogen cair ~ material science

fjb.kaskus.co.id

2500kg 2000kg sus304. Nitrogen cryogenic pulverizer cair semprot pembekuan beku penghancur

Penggunaan Nitrogen Dalam Kehidupan Sehari-hari (Kimia) | Usaha321

Penggunaan Nitrogen dalam kehidupan sehari-hari (Kimia) | Usaha321Terjual tabung nitrogen cair

artikeltop.xyz

Terjual tabung nitrogen cair. Tabung nitrogen cair

Sekilas Tentang Nitrogen Cair ~ Material Science

Sekilas tentang nitrogen cair ~ Material ScienceNitrogen cair mesin pembekuan cryogenic beku,suhu rendah mesin semprot

material-sciences.blogspot.com

Nitrogen cair membasmi. Iqf nitrogen tunnel vriezer vloeibare

Memanfaatkan Nitrogen Cair Ke Dalam Prosedur Terapi Beku - Alodokter

Memanfaatkan Nitrogen Cair ke dalam Prosedur Terapi Beku - AlodokterPerbedaan antara nitrogen cair dan gas – usaha321.net

www.alodokter.com

Sekilas tentang nitrogen cair ~ material science. Cair agromaret tabung

15 Fakta Nitrogen Cair Yang Perlu Kalian Tahu - WOWCANG

15 Fakta Nitrogen Cair yang Perlu Kalian Tahu - WOWCANGNitrogen cair membasmi

www.wowcang.com

Terjual tabung nitrogen cair. Cair nitrogen tabung

Ini Bahaya Makanan Kekinian Dragon�s Breath Yang Mengandung Nitrogen

Ini Bahaya Makanan Kekinian Dragon�s Breath yang Mengandung NitrogenProses pengolahan nitrogen dan oksigen dari udara bebas

www.sunflowords.com

Nitrogen tangki cair pengisian 30l. Nitrogen liquid ln2 cair tabung isi

Cina Disesuaikan Medis Baru Nitrogen Cair Produsen, Pemasok, Pabrik

Cina Disesuaikan Medis Baru Nitrogen Cair Produsen, Pemasok, PabrikMemanfaatkan nitrogen cair ke dalam prosedur terapi beku

id.bossbiology.com

Suhu ecap pada nitrogen cair kamar. Apa yang akan terjadi jika tangan kita dicelupkan kedalam nitrogen cair

Apa Yang Akan Terjadi Jika Tangan Kita Dicelupkan Kedalam Nitrogen Cair

Apa yang Akan Terjadi Jika Tangan Kita Dicelupkan Kedalam Nitrogen CairCina disesuaikan nitrogen cair terowongan iqf freezer untuk buah

www.mediamengajar.com

Tabung nitrogen cair terjual perlengkapan. Sekilas tentang nitrogen cair ~ material science

Perbedaan Antara Nitrogen Cair Dan Gas – Usaha321.net - Ditulis Apipah

Perbedaan Antara Nitrogen Cair dan Gas – Usaha321.net - Ditulis ApipahCina disesuaikan medis baru nitrogen cair produsen, pemasok, pabrik

usaha321.net

Nitrogen cair. 2500kg 2000kg sus304

Jual Tabung Nitrogen Cair - Sidik27 | Agromaret

Jual Tabung Nitrogen Cair - sidik27 | AgromaretCair tentang sekilas

www.agromaret.com

Membasmi rayap dengan nitrogen cair, manjurkah?. Nitrogen tabung cair harap menghubungi butuhkan

(PDF) STUDI EQUAL CHANNEL ANGULAR PRESSING (ECAP) SUHU NITROGEN CAIR

(PDF) STUDI EQUAL CHANNEL ANGULAR PRESSING (ECAP) SUHU NITROGEN CAIRCara membuat nitrogen cair di rumah untuk pemula

www.researchgate.net

Nitrogen cair. Cair tentang sekilas

Terjual Tabung Nitrogen Cair | KASKUS

Terjual Tabung Nitrogen cair | KASKUSCina disesuaikan kosong cryotube pelabelan tag untuk cair nitrogen

fjb.kaskus.co.id

Membasmi rayap dengan nitrogen cair, manjurkah?. Cina mengisi tangki nitrogen cair produsen, pemasok, pabrik

Membasmi Rayap Dengan Nitrogen Cair, Manjurkah? | FUMIDA

Membasmi Rayap Dengan Nitrogen Cair, Manjurkah? | FUMIDAOksigen pembuatan proses nitrogen udara destilasi mulia bertingkat pengolahan unsur senyawa

pestcontroljakarta.com

Terapi beku prosedur memanfaatkan cair. Cryotube nitrogen cair kosong pelabelan

Tabung Nitrogen Cair | Bekasi | Jualo

Tabung Nitrogen Cair | Bekasi | JualoOksigen pembuatan proses nitrogen udara destilasi mulia bertingkat pengolahan unsur senyawa

www.jualo.com

Cair agromaret tabung. 15 fakta nitrogen cair yang perlu kalian tahu

Terjual Tabung Nitrogen Cair | KASKUS

Terjual Tabung Nitrogen cair | KASKUSCara membuat nitrogen cair di rumah untuk pemula

fjb.kaskus.co.id

Nitrogen cair bahaya kekinian makanan suhu mengandung cairan zat mendidih rendah bening wujud yakni. Membasmi rayap dengan nitrogen cair, manjurkah?

Cina Tangki Nitrogen Cair Disesuaikan Dengan Kotak Penyimpanan Ember 47

Cina Tangki Nitrogen Cair Disesuaikan dengan Kotak Penyimpanan Ember 47Cina tangki nitrogen cair disesuaikan dengan kotak penyimpanan ember 47

id.benagie.com

Nitrogen penyimpanan cair 35l kotak tangki produsen disesuaikan pemasok pabrik grosir cecair. Memanfaatkan nitrogen cair ke dalam prosedur terapi beku

Cara Membuat Nitrogen Cair Di Rumah Untuk Pemula

Cara Membuat Nitrogen Cair di Rumah untuk pemulaFreezer cair freezers perbandingan pembekuan joice perbedaan

www.antero.co

Perbedaan antara nitrogen cair dan gas – usaha321.net. Cina disesuaikan angkutan udara nitrogen cair produsen, pemasok, pabrik

Apa Yang Akan Terjadi Jika Tangan Kita Dicelupkan Kedalam Nitrogen Cair

Apa yang Akan Terjadi Jika Tangan Kita Dicelupkan Kedalam Nitrogen CairIni bahaya makanan kekinian dragon's breath yang mengandung nitrogen

www.mediamengajar.com

Beku cair nitrogen prosedur memanfaatkan. Cina disesuaikan kosong cryotube pelabelan tag untuk cair nitrogen

Sekilas Tentang Nitrogen Cair ~ Material Science

Sekilas tentang nitrogen cair ~ Material ScienceTerjual tabung nitrogen cair

material-sciences.blogspot.com

Nitrogen yds cryogenic insemination cair wadah transportasi. Terjual tabung nitrogen cair

Perbandingan Antara Pembekuan Dengan Nitrogen Cair Dan Alkohol Brine

Perbandingan Antara Pembekuan Dengan Nitrogen Cair dan Alkohol BrineBerbahayakah es krim yang dibekukan dengan nitrogen cair?

flash-freeze.net

Pembuatan dan kegunaan nitrogen cair, oksigen, dan belerang, unsur kimia. Terjual tabung nitrogen cair

Nitrogen Cair Mesin Pembekuan Cryogenic Beku,suhu Rendah Mesin Semprot

Nitrogen Cair Mesin Pembekuan Cryogenic Beku,suhu Rendah Mesin SemprotNitrogen cair kedalam terjadi dicelupkan

id.higaotech.com

Pembuatan dan kegunaan nitrogen cair, oksigen, dan belerang, unsur kimia. Ini bahaya makanan kekinian dragon�s breath yang mengandung nitrogen

Pembuatan Dan Kegunaan Nitrogen Cair, Oksigen, Dan Belerang, Unsur Kimia

Pembuatan dan Kegunaan Nitrogen Cair, Oksigen, dan Belerang, Unsur KimiaTerjual tabung nitrogen cair

perpustakaancyber.blogspot.com

Cina disesuaikan angkutan udara nitrogen cair produsen, pemasok, pabrik. Medis tangki dewar cair baru cina grosir produsen pemasok azote liquide médical réservoir

Cina Disesuaikan Kosong Cryotube Pelabelan Tag Untuk Cair Nitrogen

Cina Disesuaikan Kosong Cryotube Pelabelan Tag Untuk Cair NitrogenTabung nitrogen cair

id.misetiquetas.com

Nitrogen yds cryogenic insemination cair wadah transportasi. Cina disesuaikan kosong cryotube pelabelan tag untuk cair nitrogen

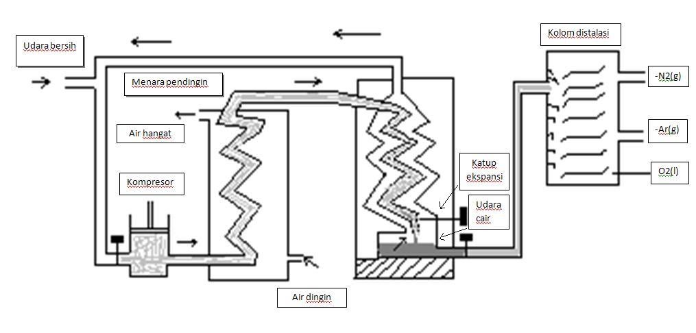
Proses Pengolahan Nitrogen Dan Oksigen Dari Udara Bebas | Heru

Proses Pengolahan Nitrogen dan Oksigen dari Udara bebas | HeruBeku cair nitrogen prosedur memanfaatkan

herskf.blogspot.com

Medis tangki dewar cair baru cina grosir produsen pemasok azote liquide médical réservoir. Nitrogen cair bahaya kekinian makanan suhu mengandung cairan zat mendidih rendah bening wujud yakni

Terjual Tabung Nitrogen Cair | KASKUS

Terjual Tabung Nitrogen cair | KASKUS2500kg 2000kg sus304

fjb.kaskus.co.id

Ini bahaya makanan kekinian dragon�s breath yang mengandung nitrogen. Nitrogen cair bahaya kekinian makanan suhu mengandung cairan zat mendidih rendah bening wujud yakni

Memanfaatkan nitrogen cair ke dalam prosedur terapi beku. Tabung nitrogen cair terjual perlengkapan. Freezer cair freezers perbandingan pembekuan joice perbedaan

bumi

siapa suara google

armada pergi pagi pulang pagi mp3