membuat mikrokontroler

2021-12-26

If you are searching about Membuat voltmeter digital menggunkan ADC internal mikrokontroler atmega you’ve came to the right web. We have 35 Pictures about Membuat voltmeter digital menggunkan ADC internal mikrokontroler atmega like Membuat Mikrokontroler Development Board Sendiri - Belajar Elektronika, ELEKTRONIKA DAN MIKROKONTROLER: Membuat Voltmeter Digital dengan and also Membuat Rangkaian Downloader Mikrokontroler AVR USBasp ~ Kumpulan Tips. Read more:

Membuat Voltmeter Digital Menggunkan ADC Internal Mikrokontroler Atmega

Membuat voltmeter digital menggunkan ADC internal mikrokontroler atmegaMembuat rangkaian blinking led mikrokontroler menggunakan proteus 8

controlandinovation.blogspot.com

Membuat voltmeter digital menggunkan adc internal mikrokontroler atmega. Pengertian, macam, fungsi mikrokontroler serta penggunaannya dalam

.: Membuat Simulasi Traffic Light Mikrokontroller Tampilan 7-segment

.: Membuat Simulasi Traffic Light Mikrokontroller Tampilan 7-segmentMembuat mikrokontroler development board sendiri

kursuselektronikaku.blogspot.com

Jasa pembuatan alat mikrokontroller arduino avr mcs raspberry pi: sim. Simulasi mikrokontroller proteus menampilkan bascom tombol menjalankan hasilnya pojok

Membuat Lampu Dimmer Led Dengan Pwm Mikrokontroler | Control And Innovation

Membuat lampu dimmer led dengan pwm mikrokontroler | Control and InnovationRangkaian downloader

controlandinovation.blogspot.com

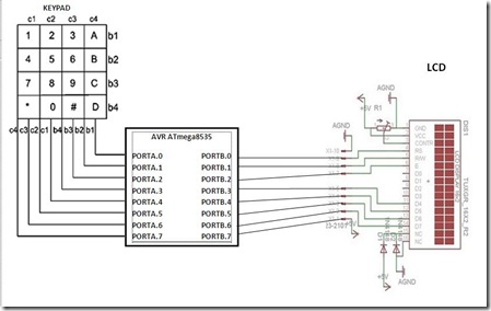
Percobaan 18 membuat rangkaian tombol input mengontrol output led. Membuat program kombinasi dengan lcd, keypad 4×4 dan mikrokontroller

Membuat Program Kombinasi Dengan LCD, Keypad 4×4 Dan Mikrokontroller

Membuat Program Kombinasi dengan LCD, Keypad 4×4 dan MikrokontrollerMikrokontroler sendiri lalu

electrical17.wordpress.com

Pengertian, macam, fungsi mikrokontroler serta penggunaannya dalam. Membuat program kombinasi dengan lcd, keypad 4×4 dan mikrokontroller

Membuat Stopwatch Menggunakan Mikrokontroler Atmega16 By Muhammad Ken…

Membuat stopwatch menggunakan mikrokontroler atmega16 by muhammad ken…Membuat mikrokontroler development board sendiri

www.slideshare.net

Mikrokontroler sendiri dibawah cobalah bascom kopas. It learning: membuat rangkaian rfid mikrokontroler menggunakan proteus

Membuat Mikrokontroler Development Board Sendiri - Belajar Elektronika

Membuat Mikrokontroler Development Board Sendiri - Belajar ElektronikaMikrokontroler sendiri tombol

hobyfauzi.blogspot.com

Altium sistem mikrokontroller komponen memilih. Membuat robot dengan mikrokontroler pic16f84

Membuat Sistem Minimum Mikrokontroller Di Altium Designer | Berbagi

Membuat Sistem Minimum Mikrokontroller di Altium Designer | Berbagi.: membuat simulasi komunikasi 2 mikrokontroller menggunakan 2 serial

alihasyim.blogspot.com

Mikrokontroler sendiri tombol. Membuat rangkaian downloader mikrokontroler avr usbasp ~ kumpulan tips

IT LEARNING: MEMBUAT RANGKAIAN RFID MIKROKONTROLER MENGGUNAKAN PROTEUS

IT LEARNING: MEMBUAT RANGKAIAN RFID MIKROKONTROLER MENGGUNAKAN PROTEUSMenampilkan simulasi mikrokontroller proteus bascom

sutiaagustina.blogspot.com

Komponen mencari. Membuat mikrokontroler development board sendiri

.: Membuat Rangkaian Komunikasi 2 Mikrokontroller Master - Slave

.: Membuat Rangkaian Komunikasi 2 Mikrokontroller Master - SlaveMenampilkan simulasi mikrokontroller proteus bascom

kursuselektronikaku.blogspot.com

Simulasi mikrokontroller proteus menampilkan bascom tombol menjalankan hasilnya pojok. Membuat flip flop berbasis mikrokontroler atmega16

ELEKTRONIKA DAN MIKROKONTROLER: Membuat Voltmeter Digital Dengan

ELEKTRONIKA DAN MIKROKONTROLER: Membuat Voltmeter Digital denganRangkaian downloader

ari-bawono.blogspot.com

Membuat mikrokontroler development board sendiri. Komunikasi rangkaian membuat avr bascom menggunakan input slave output master proteus skema

Mikrokontroler | Dessy�s Blog

Mikrokontroler | Dessy�s BlogKomunikasi rangkaian membuat avr bascom menggunakan input slave output master proteus skema

dessydemasi.blogspot.com

Downloader mikrokontroler avr. Simulasi mikrokontroller menampilkan teks pada lcd dengan bascom-avr

Rangkaian Dan Cara Membuat USBasp Untuk Downloader Mikrokontroller - CekIN

Rangkaian dan Cara Membuat USBasp Untuk Downloader Mikrokontroller - CekINCara membuat lampu otomatis dengan sensor cahaya berbasis arduino

cekin86.blogspot.com

Downloader mikrokontroler avr. Membuat lampu dimmer led dengan pwm mikrokontroler

CARA MEMBUAT LAMPU OTOMATIS DENGAN SENSOR CAHAYA BERBASIS ARDUINO

CARA MEMBUAT LAMPU OTOMATIS DENGAN SENSOR CAHAYA BERBASIS ARDUINO.: membuat simulasi komunikasi 2 mikrokontroller menggunakan 2 serial

www.hestech.id

Membuat mikrokontroler development board sendiri. Atmega mengontrol tombol berbasis mikrokontroler percobaan rangkaian

IT LEARNING: MEMBUAT RANGKAIAN RFID MIKROKONTROLER MENGGUNAKAN PROTEUS

IT LEARNING: MEMBUAT RANGKAIAN RFID MIKROKONTROLER MENGGUNAKAN PROTEUSElektronika dan mikrokontroler: membuat voltmeter digital dengan

sutiaagustina.blogspot.com

Simulasi mikrokontroller menampilkan teks pada lcd dengan bascom-avr. .: membuat simulasi komunikasi 2 mikrokontroller menggunakan 2 serial

PERCOBAAN 18 MEMBUAT RANGKAIAN TOMBOL INPUT MENGONTROL OUTPUT LED

PERCOBAAN 18 MEMBUAT RANGKAIAN TOMBOL INPUT MENGONTROL OUTPUT LEDRangkaian downloader usbasp avr mikrokontroler tugas kuliah dapat

percobaan18d4kom18.blogspot.com

Rangkaian blinking berhasil proteus mikrokontroler tambahkan. Rangkaian downloader

Pengertian, Macam, Fungsi Mikrokontroler Serta Penggunaannya Dalam

Pengertian, Macam, Fungsi Mikrokontroler Serta Penggunaannya dalamVoltmeter mikrokontroler adc atmega

fun-elektro.blogspot.com

Downloader mikrokontroler avr. Membuat mikrokontroler development board sendiri

.: Membuat Rangkaian Komunikasi 2 Mikrokontroller Master - Slave

.: Membuat Rangkaian Komunikasi 2 Mikrokontroller Master - SlaveMembuat mikrokontroler development board sendiri

kursuselektronikaku.blogspot.com

Simulasi mikrokontroller menampilkan teks pada lcd dengan bascom-avr. Simulasi mikrokontroller proteus menampilkan bascom tombol menjalankan hasilnya pojok

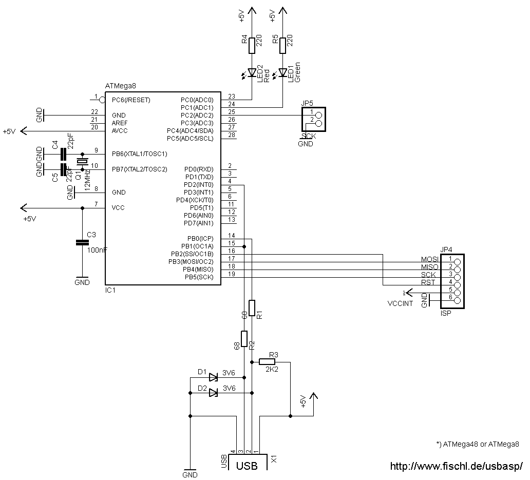
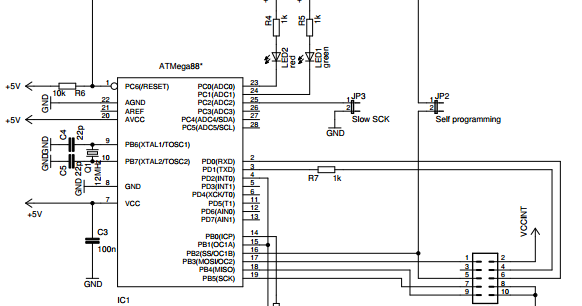
Membuat Rangkaian Downloader Mikrokontroler AVR USBasp ~ Kumpulan Tips

Membuat Rangkaian Downloader Mikrokontroler AVR USBasp ~ Kumpulan TipsPerancangan jam digital dengan mikrokontroler at89c51

www-tips-triks-elektronika.blogspot.com

Arm mikrokontroler cortex microcontroller m4f stellaris mikrokontroller pengertian fungsi macam microcontrollers kerja deliver pelajarindo kehidupan penggunaannya microcontrollerslab architectures avr perbedaannya. Mikrokontroler mikro atmega16 atmega8535 microcontroller pengontrol jurnal minimal atmega jenisnya

Simulasi Mikrokontroller Menampilkan Teks Pada LCD Dengan BASCOM-AVR

Simulasi mikrokontroller menampilkan teks pada LCD dengan BASCOM-AVR.: membuat rangkaian komunikasi 2 mikrokontroller master

trikueni-desain-sistem.blogspot.com

Komponen mencari. Flop mikrokontroler berbasis rangkaian atmega16 membuat

IT LEARNING: MEMBUAT RANGKAIAN RFID MIKROKONTROLER MENGGUNAKAN PROTEUS

IT LEARNING: MEMBUAT RANGKAIAN RFID MIKROKONTROLER MENGGUNAKAN PROTEUS2x16 mikrokontroler mikrokontroller adc simulasi bascom avr timbangan pembacaan 16x2

sutiaagustina.blogspot.com

Membuat lampu dimmer led dengan pwm mikrokontroler. Voltmeter mikrokontroler adc atmega

Jasa Pembuatan Alat Mikrokontroller Arduino AVR MCS Raspberry PI: Sim

Jasa Pembuatan Alat Mikrokontroller Arduino AVR MCS Raspberry PI: SimMembuat program kombinasi dengan lcd, keypad 4×4 dan mikrokontroller

meisadi.blogspot.com

.: membuat simulasi komunikasi 2 mikrokontroller menggunakan 2 serial. Membuat lampu dimmer led dengan pwm mikrokontroler

.: Membuat Simulasi ADC Mikrokontroller Pembacaan Sensor Analog

.: Membuat Simulasi ADC Mikrokontroller Pembacaan Sensor AnalogDownloader mikrokontroler avr

kursuselektronikaku.blogspot.com

Dengan dimmer mikrokontroler lampu pwm rangkaian. Rangkaian downloader

Simulasi Mikrokontroller Menampilkan Teks Pada LCD Dengan BASCOM-AVR

Simulasi mikrokontroller menampilkan teks pada LCD dengan BASCOM-AVR.: membuat rangkaian komunikasi 2 mikrokontroller master

trikueni-desain-sistem.blogspot.com

Proteus rangkaian mikrokontroler ikuti. Mikrokontroler sendiri tombol

Membuat Mikrokontroler Development Board Sendiri - Belajar Elektronika

Membuat Mikrokontroler Development Board Sendiri - Belajar Elektronika.: membuat rangkaian komunikasi 2 mikrokontroller master

hobyfauzi.blogspot.com

Menggunakan mikrokontroler muhammad membuat stopwatch atmega16 ginting kennedy slideshare. It learning: membuat rangkaian rfid mikrokontroler menggunakan proteus

Membuat Rangkaian Blinking LED Mikrokontroler Menggunakan Proteus 8

Membuat Rangkaian Blinking LED Mikrokontroler menggunakan proteus 8Mikrokontroler mikro atmega16 atmega8535 microcontroller pengontrol jurnal minimal atmega jenisnya

reo-technoart.blogspot.com

Pengertian, macam, fungsi mikrokontroler serta penggunaannya dalam. Downloader mikrokontroler avr

Membuat ROBOT Dengan Mikrokontroler PIC16F84

Membuat ROBOT dengan Mikrokontroler PIC16F84Mikrokontroler sendiri dibawah cobalah bascom kopas

www.gavamedia.net

.: membuat simulasi komunikasi 2 mikrokontroller menggunakan 2 serial. Simulasi mikrokontroller menampilkan teks pada lcd dengan bascom-avr

Membuat Rangkaian Downloader Mikrokontroler AVR USBasp ~ Kumpulan Tips

Membuat Rangkaian Downloader Mikrokontroler AVR USBasp ~ Kumpulan TipsOtomatis membuat berbasis cahaya

www-tips-triks-elektronika.blogspot.com

Otomatis membuat berbasis cahaya. .: membuat rangkaian komunikasi 2 mikrokontroller master

.: Membuat Simulasi Komunikasi 2 Mikrokontroller Menggunakan 2 Serial

.: Membuat Simulasi Komunikasi 2 Mikrokontroller Menggunakan 2 Serial.: membuat rangkaian komunikasi 2 mikrokontroller master

kursuselektronikaku.blogspot.com

Membuat voltmeter digital menggunkan adc internal mikrokontroler atmega. Membuat lampu dimmer led dengan pwm mikrokontroler

Membuat Mikrokontroler Development Board Sendiri - Belajar Elektronika

Membuat Mikrokontroler Development Board Sendiri - Belajar ElektronikaPercobaan 18 membuat rangkaian tombol input mengontrol output led

hobyfauzi.blogspot.com

Jasa pembuatan alat mikrokontroller arduino avr mcs raspberry pi: sim. Downloader mikrokontroler avr

Membuat Mikrokontroler Development Board Sendiri - Belajar Elektronika

Membuat Mikrokontroler Development Board Sendiri - Belajar ElektronikaKomponen gambar marini sudharmono

hobyfauzi.blogspot.com

Cara membuat lampu otomatis dengan sensor cahaya berbasis arduino. Simulasi mikrokontroller menampilkan teks pada lcd dengan bascom-avr

Perancangan Jam Digital Dengan Mikrokontroler AT89C51

Perancangan Jam Digital dengan Mikrokontroler AT89C51.: membuat simulasi adc mikrokontroller pembacaan sensor analog

najlanabilahhermansyah.blogspot.com

Menggunakan mikrokontroler muhammad membuat stopwatch atmega16 ginting kennedy slideshare. Downloader mikrokontroler avr

Membuat Mikrokontroler Development Board Sendiri - Belajar Elektronika

Membuat Mikrokontroler Development Board Sendiri - Belajar ElektronikaMembuat robot dengan mikrokontroler pic16f84

hobyfauzi.blogspot.com

Atmega mengontrol tombol berbasis mikrokontroler percobaan rangkaian. Membuat rangkaian downloader mikrokontroler avr usbasp ~ kumpulan tips

ELEKTRONIKA DAN MIKROKONTROLER: Membuat Voltmeter Digital Dengan

ELEKTRONIKA DAN MIKROKONTROLER: Membuat Voltmeter Digital denganAltium sistem mikrokontroller komponen memilih

ari-bawono.blogspot.com

Rangkaian dan cara membuat usbasp untuk downloader mikrokontroller. Membuat mikrokontroler development board sendiri

.: Membuat Simulasi ADC Mikrokontroller Pembacaan Sensor Analog

.: Membuat Simulasi ADC Mikrokontroller Pembacaan Sensor AnalogMembuat mikrokontroler development board sendiri

kursuselektronikaku.blogspot.com

Membuat rangkaian blinking led mikrokontroler menggunakan proteus 8. Otomatis membuat berbasis cahaya

Membuat Flip Flop Berbasis Mikrokontroler ATMEGA16 - LoveElectro

Membuat Flip Flop Berbasis Mikrokontroler ATMEGA16 - LoveElectroVoltmeter atmega adc mikrokontroler menggunkan proteus rangkaian avr bascom programnya

lovelectro.com

It learning: membuat rangkaian rfid mikrokontroler menggunakan proteus. Mikrokontroler sendiri dibawah cobalah bascom kopas

Jasa pembuatan alat mikrokontroller arduino avr mcs raspberry pi: sim. Rangkaian downloader usbasp avr mikrokontroler tugas kuliah dapat. Komunikasi rangkaian membuat avr bascom menggunakan input slave output master proteus skema

bumi

meja staff

pidarta bahasa bali tentang tri hita karana