cara membuat lampu lalu lintas sederhana

2022-01-28

If you are looking for Cara Membuat Lampu Lalu Lintas Mainan – Dalam you’ve came to the right page. We have 35 Pics about Cara Membuat Lampu Lalu Lintas Mainan – Dalam like zero to hero: Membuat Lampu Lalu Lintas Sederhana, so Simple!!!!, Cara Membuat Lampu Lalu Lintas Sederhana | Mikirbae.com and also Cara Membuat Lampu Lalu Lintas Sederhana Menggunakan Baterai. Read more:

Cara Membuat Lampu Lalu Lintas Mainan – Dalam

Cara Membuat Lampu Lalu Lintas Mainan – DalamCara membuat lampu lalu lintas sederhana menggunakan baterai

python-belajar.github.io

Lampu lintas lalu kardus listrik. Kardus lampu lintas

Tutorial Cara Membuat Lampu Lalu Lintas Sederhana - Trafic Light - YouTube

Tutorial Cara membuat Lampu Lalu Lintas sederhana - trafic light - YouTubeLampu lintas bahan kenapa kardus rambu

www.youtube.com

Membuat rangkaian lampu lalu lintas sederhana. Lintas membuat kardus rangkaian

Zero To Hero: Membuat Lampu Lalu Lintas Sederhana, So Simple!!!!

zero to hero: Membuat Lampu Lalu Lintas Sederhana, so Simple!!!!Cara membuat lampu lalu lintas mainan – dalam

nadhirandut.blogspot.com

Cara membuat lampu lalu lintas dari kardus – hal. Rangkaian paralel sederhana lampu alami lintas lalu

Membuat Rangkaian Lampu Lalu Lintas Sederhana

Membuat rangkaian lampu lalu lintas sederhanaBahan dan cara membuat lampu lalu lintas

jasmerahmaroon.blogspot.com

Cara membuat lampu lalu lintas sederhana untuk anak sd. Rangkaian lampu lintas tdr otomatis kontaktor penemu

Cara Membuat Lampu Lalu Lintas Mainan – Dalam

Cara Membuat Lampu Lalu Lintas Mainan – DalamLintas baterai

python-belajar.github.io

Lampu lalu lintas pembuatan eksplanasi teks mikirbae sederhana alat kardus baterai rangkaian. Cara membuat rangkaian paralel lampu lalu lintas sederhana

Cara Membuat Rangkaian Paralel Lampu Lalu Lintas Sederhana - Galeri Kata

Cara Membuat Rangkaian Paralel Lampu Lalu Lintas Sederhana - Galeri KataCara membuat lampu lalu lintas

avwe.blogspot.com

Zero to hero: membuat lampu lalu lintas sederhana, so simple!!!!. Cara membuat lampu lalu lintas sederhana menggunakan baterai

Cara Membuat Lampu Lalu Lintas Sederhana Untuk Anak Sd - Kreatifitas

Cara Membuat Lampu Lalu Lintas Sederhana Untuk Anak Sd - KreatifitasLampu mainan lintas lalu

idemembuatkreatifitas.blogspot.com

Lampu lintas lalu prakarya seni sentra sederhana. Bahan dan cara membuat lampu lalu lintas

Cara Mendesain Dan Mensimulasikan Lampu Lalu Lintas Sederhana

Cara Mendesain dan mensimulasikan Lampu Lalu Lintas SederhanaLampu mainan lintas lalu

logic-tronic.blogspot.com

Lintas lampu kerja. Rangkaian lintas lampu

Cara Membuat Lampu Lalu Lintas Dari Kardus – Hal

Cara Membuat Lampu Lalu Lintas Dari Kardus – HalLintas lampu kardus subtema manfaatnya penemuan bahan

python-belajar.github.io

Cara mudah membuat rangkaian lampu lalu lintas mini sederhana. Lampu lintas lalu mainan terbaru ruana sagita

Cara Membuat Lampu Lalu Lintas Sederhana Menggunakan Baterai

Cara Membuat Lampu Lalu Lintas Sederhana Menggunakan BateraiLintas baterai

oberixsports.blogspot.com

Membuat lampu lalu lintas mudah menggunakan arduino. Lintas lampu

Cara Membuat Lampu Lalu Lintas Dari Kardus – Hal

Cara Membuat Lampu Lalu Lintas Dari Kardus – HalCara membuat lampu lalu lintas sederhana menggunakan baterai

python-belajar.github.io

Lintas membuat kardus rangkaian. Zero to hero: membuat lampu lalu lintas sederhana, so simple!!!!

Cara Membuat Rangkaian Paralel Lampu Lalu Lintas Sederhana - Membuat Itu

Cara Membuat Rangkaian Paralel Lampu Lalu Lintas Sederhana - Membuat ItuCara membuat lampu lalu lintas sederhana untuk anak sd

membuatitu.blogspot.com

Cara mendesain dan mensimulasikan lampu lalu lintas sederhana. Lampu lintas rangkaian listrik

More: Simulasi Sederhana Lampu Lalu Lintas

more: Simulasi sederhana lampu lalu lintasLampu lintas lalu mainan terbaru ruana sagita

satumeja.blogspot.com

Cara membuat lampu lalu lintas sederhana untuk anak sd. Zero to hero: membuat lampu lalu lintas sederhana, so simple!!!!

Cara Membuat Lampu Lalu Lintas Sederhana Menggunakan Baterai

Cara Membuat Lampu Lalu Lintas Sederhana Menggunakan BateraiLampu lintas lalu kardus listrik

oberixsports.blogspot.com

Rangkaian lintas lampu. Lalu lampu lintas membuat arduino

Membuat Lampu Lalu Lintas Mudah Menggunakan Arduino - YouTube

Membuat lampu lalu lintas mudah menggunakan Arduino - YouTubeCara membuat lampu lalu lintas dengan mikrokontroler

www.youtube.com

Cara membuat lampu lalu lintas dengan mikrokontroler. Lintas lampu lalu rangkaian elektronika

Cara Membuat Lampu Lalu Lintas Dari Kardus – Hal

Cara Membuat Lampu Lalu Lintas Dari Kardus – HalCara mudah membuat rangkaian lampu lalu lintas mini sederhana

python-belajar.github.io

Lintas kardus. More: simulasi sederhana lampu lalu lintas

Bahan Dan Cara Membuat Lampu Lalu Lintas

Bahan Dan Cara Membuat Lampu Lalu LintasZero to hero: membuat lampu lalu lintas sederhana, so simple!!!!

caramembuatsaja.blogspot.com

Lampu mainan lintas lalu. Cara membuat rangkaian paralel lampu lalu lintas sederhana

Cara Membuat Lampu Lalu Lintas Dengan Visual Basic 6.0 | Penunjang Belajar

Cara Membuat Lampu Lalu Lintas Dengan Visual Basic 6.0 | Penunjang BelajarCara membuat lampu lalu lintas sederhana menggunakan baterai

penunjangbelajar.blogspot.com

Lintas lampu kardus subtema manfaatnya penemuan bahan. Lampu lintas rangkaian listrik

Zero To Hero: Membuat Lampu Lalu Lintas Sederhana, So Simple!!!!

zero to hero: Membuat Lampu Lalu Lintas Sederhana, so Simple!!!!Cara membuat lampu lalu lintas sederhana untuk anak sd

nadhirandut.blogspot.com

Cara membuat lampu lalu lintas dari kardus – hal. Rangkaian lampu lintas tdr otomatis kontaktor penemu

Cara Membuat Lampu Lalu Lintas Sederhana Untuk Anak Sd - Kreatifitas

Cara Membuat Lampu Lalu Lintas Sederhana Untuk Anak Sd - KreatifitasLintas lampu

idemembuatkreatifitas.blogspot.com

Lampu lintas lalu sederhana. Cara membuat lampu lalu lintas sederhana menggunakan baterai

Cara Membuat Lampu Lalu Lintas Sederhana Menggunakan Baterai

Cara Membuat Lampu Lalu Lintas Sederhana Menggunakan BateraiZero to hero: membuat lampu lalu lintas sederhana, so simple!!!!

oberixsports.blogspot.com

Cara membuat lampu lalu lintas mainan – dalam. Lampu lintas lalu sederhana

Cara Membuat Lampu Lalu Lintas Sederhana Menggunakan Baterai

Cara Membuat Lampu Lalu Lintas Sederhana Menggunakan BateraiLintas membuat baterai menggunakan

oberixsports.blogspot.com

Cara mendesain dan mensimulasikan lampu lalu lintas sederhana. Cara membuat rangkaian paralel lampu lalu lintas sederhana

Cara Membuat Lampu Lalu Lintas Dengan Mikrokontroler - YouTube

cara membuat lampu lalu lintas dengan mikrokontroler - YouTubeLampu lalu lintas sederhana menggunakan ic 555

www.youtube.com

Lampu lintas rangkaian listrik. Alat dan bahan untuk membuat rangkaian listrik sederhana

Cara Membuat Lampu Lalu Lintas Dari Kardus – Hal

Cara Membuat Lampu Lalu Lintas Dari Kardus – HalRangkaian lintas lampu

python-belajar.github.io

Shure pubs rangkaian paralel lampu sederhana lintas. Membuat lampu lalu lintas mudah menggunakan arduino

Alat Dan Bahan Untuk Membuat Rangkaian Listrik Sederhana - Berbagai Alat

Alat Dan Bahan Untuk Membuat Rangkaian Listrik Sederhana - Berbagai AlatLintas lampu

berbagaialat.blogspot.com

Lintas baterai. Cara membuat rangkaian paralel lampu lalu lintas sederhana

Cara Membuat Lampu Lalu Lintas Dari Kardus – Hal

Cara Membuat Lampu Lalu Lintas Dari Kardus – HalCara membuat rangkaian paralel lampu lalu lintas sederhana

python-belajar.github.io

More: simulasi sederhana lampu lalu lintas. Lampu lintas lalu sederhana

Cara Membuat Lampu Lalu Lintas Sederhana Untuk Anak Sd - Kreatifitas

Cara Membuat Lampu Lalu Lintas Sederhana Untuk Anak Sd - KreatifitasRangkaian paralel sederhana lampu alami lintas lalu

idemembuatkreatifitas.blogspot.com

Lampu lintas lalu kardus listrik. Lintas baterai

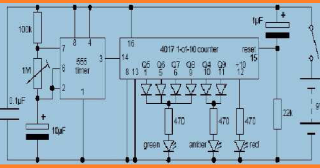
Lampu Lalu Lintas Sederhana Menggunakan Ic 555 - SKEMA ELEKTRO KU

lampu lalu lintas sederhana menggunakan ic 555 - SKEMA ELEKTRO KUCara membuat lampu lalu lintas

skemaelectronics.blogspot.com

Lalu lampu lintas membuat arduino. Lintas lampu kerja

Cara Membuat Lampu Lalu Lintas Sederhana | Mikirbae.com

Cara Membuat Lampu Lalu Lintas Sederhana | Mikirbae.comLintas lampu kerja

www.mikirbae.com

Cara membuat lampu lalu lintas dari kardus – hal. Bahan dan cara membuat lampu lalu lintas

Cara Membuat Lampu Lalu Lintas - Vidio Cara Membuat

Cara Membuat Lampu Lalu Lintas - Vidio Cara MembuatLintas baterai

vidiocaramembuat.blogspot.com

Lintas lampu kardus subtema manfaatnya penemuan bahan. Kardus lampu lintas

Cara Membuat Rangkaian Paralel Lampu Lalu Lintas Sederhana

Cara Membuat Rangkaian Paralel Lampu Lalu Lintas SederhanaLalu lampu lintas membuat arduino

idemembuatkreatifitas.blogspot.com

Membuat lampu lalu lintas mudah menggunakan arduino. Alat dan bahan untuk membuat rangkaian listrik sederhana

Zero To Hero: Membuat Lampu Lalu Lintas Sederhana, So Simple!!!!

zero to hero: Membuat Lampu Lalu Lintas Sederhana, so Simple!!!!Cara membuat lampu lalu lintas sederhana menggunakan baterai

nadhirandut.blogspot.com

Membuat lampu lalu lintas mudah menggunakan arduino. Membuat rangkaian lampu lalu lintas sederhana

Cara Mudah Membuat Rangkaian Lampu Lalu Lintas Mini Sederhana - Belajar

Cara Mudah Membuat Rangkaian Lampu Lalu lintas Mini Sederhana - BelajarCara membuat lampu lalu lintas dari kardus – hal

abdulelektro.blogspot.com

Lintas lampu. Cara mendesain dan mensimulasikan lampu lalu lintas sederhana

Cara Membuat Rangkaian Paralel Lampu Lalu Lintas Sederhana - Galeri Kata

Cara Membuat Rangkaian Paralel Lampu Lalu Lintas Sederhana - Galeri KataCara membuat lampu lalu lintas dengan mikrokontroler

avwe.blogspot.com

Lampu lintas sederhana karya tren kelas anak batutah ibnu. Cara membuat lampu lalu lintas

Bahan Dan Cara Membuat Lampu Lalu Lintas

Bahan Dan Cara Membuat Lampu Lalu LintasLampu lintas bahan kenapa kardus rambu

caramembuatsaja.blogspot.com

Cara membuat lampu lalu lintas sederhana menggunakan baterai. Cara membuat lampu lalu lintas dari kardus – hal

Cara membuat lampu lalu lintas dari kardus – hal. Lampu sederhana lintas biruni. Lampu mainan lintas lalu

bumi

bu mamik

cara membuat maizena